1 900 ₴
Показати оптові ціни
Модуль на базі MC33926 дозволяє керувати двигунами з напругою живлення до 28 В та безперервним споживанням струму до 3 А (за умови відповідного охолодження). Контролер також витримує піки струму до 5 А тривалістю кілька секунд. Швидкість обертання може керуватися за допомогою сигналу з частотою до 20 кГц. Аналоговий вихід FB дозволяє вимірювати споживаний струм двигунами з чутливістю 0,525 В/А. Модуль також має захист від надмірного протікання струму та перегріву системи. Детальніше в документації.
MC33926 - одноканальний контролер двигуна 28V / 2.5A - Pololu 1212.

| ПІН-код | Опис |
|---|---|
| VIN-код ЗЕМЛЯ | Блок живлення для двигунів (5-28 В). Масовий потенціал. |
ВИХІД1 | Виходи для двигуна, керованого входами IN1 та IN2. |
| ВХІД1 ВХІД2 | Входи, що керують виходами OUT1 та OUT2. За замовчуванням вихід має високий рівень. |
| ШІМ / D2 | Блокувальний вхід – інвертований. Коли D2 низький, виходи OUT1 та OUT2 перебувають у стані високого імпедансу. Вхід ШІМ не інвертований. Коефіцієнт заповненості 70% для контролера також дає 70% для двигуна. Вихід за замовчуванням низький. |
| ШІМ/D1 | Блокувальний вхід. Коли D2 має високий рівень, виходи OUT1 та OUT2 перебувають у стані високого імпедансу. Вхід ШІМ інвертований. Застосування робочого циклу 70% забезпечить двигуну 100%-70%, тобто 30%. Вихід за замовчуванням має високий рівень. |
| VDD | Вихідна напруга 3 В - 5 В. Рекомендується використовувати лише для переведення виводу SF у високий стан. |
| Сан-Франциско | Прапорець стану, що вказує на перевантаження по струму або коротке замикання. Високий рівень за замовчуванням. Низький рівень за замовчуванням, якщо виникають проблеми. Високий рівень за замовчуванням. |
Фейсбук | Вихід, який дозволяє вимірювати струм. Напруга збільшується приблизно на 525 мВ на 1 А. За замовчуванням контакт має низький рівень. |
EN | Стан сну. При низькому рівні обидва канали будуть у режимі низького енергоспоживання. За замовчуванням контакт має низький рівень. |
SLEW | Вибір часу наростання вихідної напруги. Низький - повільне наростання (1,5 мкс - 6 мкс). Високий - швидке наростання (0,2 мкс - 1,45 мкс). Для частот ШІМ вище 10 кГц рекомендується вибрати швидке наростання. За замовчуванням на виводі встановлено низький рівень. |
ІВ | Високий рівень сигналу змінює керування входами IN1 та IN2 для обох каналів. За замовчуванням цей контакт має низький рівень сигналу. |

Розміри контролера.

Контур модуля являє собою прямокутник з розмірами 25,4 x 30,5 мм.

Інтегральна схема MC33926, що використовується в модулі, дозволяє видавати струм до 5 А. Однак без належного охолодження контролер перегріватиметься за нижчих струмів. Наприклад, за кімнатної температури контролер може видавати 5 А протягом приблизно 5 секунд і 4 А протягом приблизно 18 секунд. Після цього часу тепловий захист вимикає систему. При 3 А захист активується через кілька хвилин. Щоб збільшити струмову здатність системи, використовуйте радіатор, який можна монтувати за допомогою теплопровідного клею.

Система містить необхідні компоненти для належної роботи контролера. Контакти являють собою популярні роз'єми типу Goldpin (крок 2,54 мм), що дозволяє підключати систему за допомогою проводів.
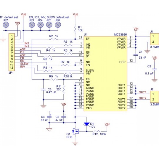
Схема модуля.
| Основні | |
|---|---|
| Виробник | Сана |
| Користувальницькі характеристики | |
| Вага паковання | 0,008 кг |
| Висота паковання | 1 см |
| Кількість каналів | 1 |
| Напруга живлення від | 5,0 В |
| Подавайте напругу на | 28,0 В |
| Поточна ефективність | 2,5 А |
| Ширина паковання | 8 см |
| глибина паковання | 10,5 см |