

623 ₴
Показати оптові ціни
Популярний мікроконтролер сімейства AVR від ATmel у корпусі для поверхневого монтажу (SMD).
У магазині також пропонуються кварцові резонатори та програматор AVR.
Мікроконтролер AVR - ATmega16A-AU SMD.


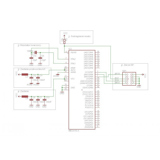
1.Скидання в мікроконтролерах AVR внутрішньо підтягується до VCC. Однак, у технічній примітці виробника рекомендується додавати зовнішній підтягувальний резистор, якщо система працює в середовищі, схильному до перешкод. Ми рекомендуємо додати зовнішній резистор 10 кОм.
2.Аналогово-цифровий перетворювач має окремі контакти живлення. Виробник рекомендує підключати окремі лінії живлення (через дросель 10 мкГн) та заземлення (аналогове та цифрове заземлення повинні з'єднуватися в одній точці на друкованій платі) для зменшення перешкод. Це забезпечить більшу точність перетворювача. Якщо максимальна роздільна здатність, що пропонує Atmel (10 біт), не потрібна, окремі доріжки не потрібні. Вивід AREF є опорною напругою для перетворювача. AVR дозволяють вибрати внутрішнє джерело опорної напруги. Якщо це обрано, AREF слід підключити до землі через конденсатор ємністю 100 нФ. Дросель та конденсатори утворюють LC-фільтр. Невикористання цих компонентів також призведе до втрати точності аналого-цифрового перетворювача. Примітка: Навіть якщо перетворювач не використовується, контакти AVCC та AGND слід підключити, оскільки вони також живлять PORTC.
3.Максимальна тактова частота цього мікроконтролера становить 16 МГц. Номінали конденсаторів наведені в документації виробника. У цьому прикладі ми використовували 22 пФ для кварцового резонатора на 16 МГц.
4. Блок живлення. Виробник рекомендує конденсатор 100 нФ для кожної пари VCC-GND. Додатково рекомендується використовувати дросель. Однак, з досвіду ми знаємо, що AVR добре працюють і без цього компонента. Звичайно, все залежить від умов експлуатації. Якщо на друкованій платі є місце, варто використовувати цей дросель, згідно з рекомендаціями.
5.Роз'єм ISP (внутрішньосистемне програмування) дозволяє програмувати мікроконтролер всередині цільової системи. Він використовує інтерфейс SPI.
A. Підтягувальний коефіцієнт скидання, B. Живлення аналого-цифрового перетворювача, C. Кварцовий генератор, D. Блок живлення, E. Роз'єм ISP.
| Користувальницькі характеристики | |
|---|---|
| Вага паковання | 0,001 кг |
| Висота паковання | 6 см |
| глибина паковання | 0,3 см |
| Ширина паковання | 4 см |