



1 801 ₴
Показати оптові ціни
Датчик дозволяє виявляти об'єкти в межах до 10 см. Вихідним сигналом є цифровий сигнал. Високий стан (логічна одиниця) вказує на відсутність об'єктів у полі зору датчика. Низький стан (логічний нуль) виникає, коли об'єкт виявляється.

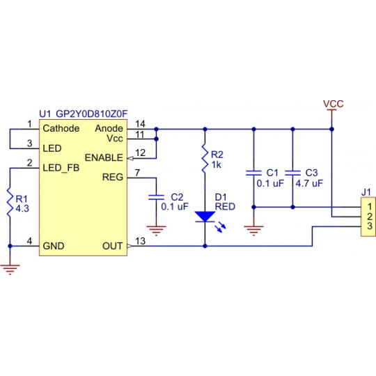
Датчик має паяну основу з друкованої плати для легкого встановлення та використання. Плата містить необхідні пасивні компоненти для роботи датчика та світлодіод для індикації виявлення об'єкта. За допомогою основи керування датчиком таке ж просте, як підключення трьох контактів: джерела живлення (VCC), заземлення (GND) та логічного вихідного сигналу, позначеного як OUT. Плата має позолочені контакти, що полегшують підключення датчика до комплекту розробки (наприклад, Arduino або STM32Discovery) за допомогою перемикачів.
Sharp GP2Y0D810Z0F - цифровий датчик відстані 10 см з цоколем на друкованій платі - Pololu 1134.
Продукт, сумісний з Arduino Для належної роботи просто підключіть джерело живлення 5 В та вихід датчика до будь-якого цифрового виводу Arduino. Зчитування виконується викликом стандартної функції.digitalRead(номер_виводу). |
Креслення, що показує, як працює цифровий сенсор Sharp.

Наш магазин пропонує аналогові версії датчиків, що виявляють об'єкти в діапазоні: 4-30 см, 10-80 см, 20-150 см, та цифрові датчики, що виявляють об'єкти в полі зору до: 5 см, 10 см та 40 см.

| Основні атрибути | |
|---|---|
| Виробник | Sharp |
| Тип | Джерело живлення |
| Користувальницькі характеристики | |
| Вага паковання | 0,003 кг |
| Висота паковання | 9,3 см |
| Інтерфейс | Цифрове введення/виведення |
| Модуль — Відстань до | 10 см |
| Модуль — Відстань від | 2,0 см |
| Напруга живлення від | 2,7 В |
| Подавайте напругу на | 6,2 В |
| Ширина паковання | 8,1 см |
| глибина паковання | 0,8 см |