



3 931 ₴
Показати оптові ціни
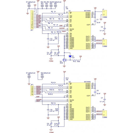
Цей модуль, заснований на мікросхемі MC33926, дозволяє керувати двома двигунами з напругою живлення до 28 В та безперервним струмом споживання до 3 А (з відповідним охолодженням). Контролер також може витримувати піки струму до 5 А протягом кількох секунд. Швидкість обертання може керуватися за допомогою сигналу до 20 кГц. Аналоговий вихід функціонального блоку дозволяє вимірювати струм споживання двигунів з чутливістю 0,525 В/А. Модуль також має захист від надмірного струму та перегріву системи. Детальна інформація доступна в документації.
| ПІН-код | Опис |
| VIN-код ЗЕМЛЯ | Блок живлення для двигунів (5-28 В). Масовий потенціал. |
M1_OUT1 | Виходи каналу, керовані входами M1_IN1 та M1_IN2. |
| M1_OUT1 M1_OUT2 | Виходи каналу, керовані входами M1_IN1 та M1_IN2. |
| ШІМ / D2 | Блокувальний вхід – інвертований. Коли D2 низький, виходи OUT1 та OUT2 перебувають у стані високого імпедансу. Вхід ШІМ не інвертований. Коефіцієнт заповненості 70% для контролера також дає 70% для двигуна. Вихід за замовчуванням низький. |
| ШІМ/D1 | Блокувальний вхід. Коли D2 має високий рівень, OUT1 та OUT2 перебувають у стані високого імпедансу. Вхід ШІМ інвертований. Застосування робочого циклу 70% забезпечить двигуну 100%-70%, або 30%. Вихід за замовчуванням має високий рівень. |
M1_IN1 M1_IN2 | Входи, що керують виходами M1_OUT1 та M1_OUT2. За замовчуванням вихід має високий рівень. |
| M2_IN1 M2_IN2 | Входи, що керують виходами M2_OUT1 та M2_OUT2. За замовчуванням вихід має високий рівень. |
| VDD | Вихідна напруга 3-5 В. Рекомендовано використовувати лише для встановлення високого рівня на вивід SF. |
| Сан-Франциско | Прапорець стану, що вказує на перевантаження по струму або коротке замикання. Високий рівень за замовчуванням. Низький рівень за замовчуванням, якщо виникають проблеми. Високий рівень за замовчуванням. |
Фейсбук | Вихід, який дозволяє вимірювати струм. Напруга збільшується приблизно на 525 мВ на кожні 1 А. За замовчуванням контакт має низький рівень. |
EN | Стан сну. При низькому рівні обидва канали будуть у режимі низького енергоспоживання. За замовчуванням контакт має низький рівень. |
SLEW | Вибір часу наростання вихідної напруги. Низький стан - повільне наростання (1,5 мкс - 6 мкс). Високий стан - швидке наростання (0,2 мкс - 1,45 мкс). Для частот ШІМ вище 10 кГц рекомендується вибрати швидке наростання. За замовчуванням на виводі встановлено низький рівень. |
ІВ | Високий рівень сигналу змінює керування входами IN1 та IN2 для обох каналів. За замовчуванням цей контакт має низький рівень сигналу. |

Контур модуля являє собою прямокутник з розмірами 25,4 х 30,5 мм.

Інтегральна схема MC33926, що використовується в модулі, має максимальний безперервний струм до 5 А. Однак без належного охолодження контролер перегріється при менших струмах. Наприклад, при кімнатній температурі контролер вміє доставити 5 А протягом приблизно 5 с і 4 А приблизно 18 с. Після закінчення цього часу температурний захист вимкнув систему. При споживанні 3 А захист спрацював через кілька хвилин. Для збільшення струмових можливостей системи слід використовувати тепловідвід, який монтується за допомогою термопровідного клею.

Система містить необхідні компоненти для коректної роботи контролера. Виводи - це популярні з'єднувачі goldpin (2,54 мм растр), завдяки яким систему можна підключати за допомогоюкабелі.

Входить до комплектуКомплектація: модуль, роз'єм живлення, золота шпилька.
| Основні | |
|---|---|
| Виробник | Сана |
| Користувальницькі характеристики | |
| Вага паковання | 0,012 кг |
| Висота паковання | 0,5 см |
| Кількість каналів | 2 |
| Напруга живлення від | 5,0 В |
| Подавайте напругу на | 28,0 В |
| Поточна ефективність | 2,5 А |
| Ширина паковання | 8,2 см |
| глибина паковання | 11,5 см |